分享到:
首页
公司简介
产品中心
新闻资讯
案例展示
技术资料
人才招聘
在线留言
联系我们
新闻资讯
公司新闻
行业资讯
常见问题
公司新闻
您的当前位置:首页 > 新闻资讯 > 公司新闻 > 正文
浏览字体:大 中 小 访问: 次  发布人:admin  时间:2014/12/26 15:04:04

电动蝶阀接线图

  电动蝶阀由电动执行器和蝶阀组成,电动执行器为90度旋转,有开关和调节式两种控制方式,通过电动执行器旋转带动蝶阀的开启与关闭。具备手动操作功能,在断电时通过手动操作来开关蝶阀。

  常见的电动蝶阀接线图如下:

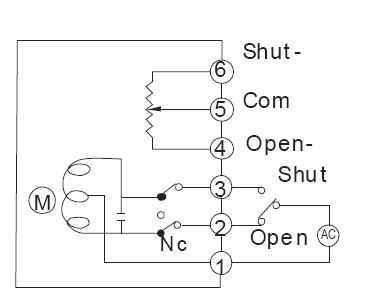
  开关型带有源灯指示电动蝶阀接线图,共有5根接线,1,2,3是控制部分,1,4,5是反馈部分

  

点击新窗口打开大图

  开关型带无源触点型反馈电动蝶阀接线图,1,2,3是控制部分接线,4,5,6为无源触点反馈

  

点击新窗口打开大图

  开关型带开度信号反馈电动蝶阀接线图。1,2,3为控制接线部分,4,5,6为反馈部分,输出0-5K的电阻值,可以选定

  

点击新窗口打开大图

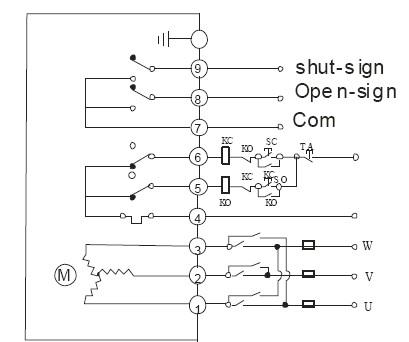
  AC380V三相电源电动蝶阀接线图

  

点击新窗口打开大图

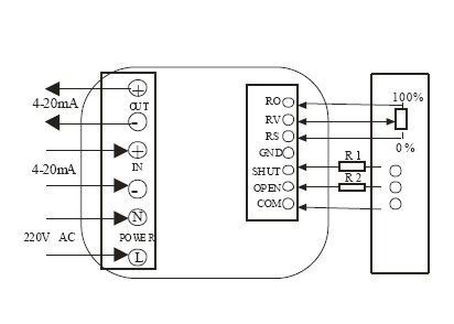
  智能调节式电动蝶阀接线图,输入输出4——20mA

  

点击新窗口打开大图

  直流DC24V DC12V电动蝶阀接线图 交换正负正开关电动蝶阀同时无源信号反馈

点击新窗口打开大图

【复制标题和链接,发送给好友】
上一篇:电动阀门(电动蝶阀、电动球阀)的构造和安装的细节
下一篇:电动球阀的安装方法
相关文章
首页 | 公司简介 | 产品中心 | 新闻资讯 | 案例展示 | 技术资料 | 人才招聘 | 在线留言 | 联系我们

本站关键词:气动阀门 电动阀门 津ICP备08100650号-3 津公网安备 12011002018036号
  • QQ交谈
  • 一标阀门1
  • 一标阀门2
  • 客服热线:
  • 13820338668
  • 微信询价