分享到:
首页
公司简介
产品中心
新闻资讯
案例展示
技术资料
人才招聘
在线留言
联系我们
新闻资讯
公司新闻
行业资讯
常见问题
公司新闻
您的当前位置:首页 > 新闻资讯 > 公司新闻 > 正文
浏览字体:大 中 小 访问: 次  发布人:admin  时间:2014/9/22 14:59:26

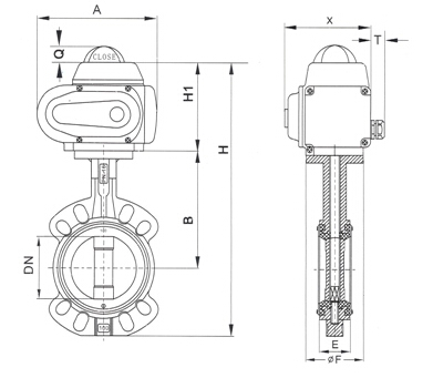
电动蝶阀在安装前需要准备的工作有哪些?

  电动蝶阀在安装时,每一件产品都附有专用的说明书、操作说明书或相应文件,如果不遵循这些相应说明的话是可能会导致设备故障、损坏或者造成一些人身伤害。

点击新窗口打开大图


  1、按照要求检查零部件的储备情况,必须与产品规格相一致。
  2、将电动蝶阀从包装箱中小心取出。
  3、关闭要安装此零部件的仪器、机器或设备的电源,并对其进行减压。确保设备关闭的减压,以避免任何意外干扰。
  4、不要随意对电动蝶阀的零部件进行改动。
  5、确保介质液体适用于其所接触的材料。通常使用空气、水、或油(如果油被当作液体使用的话,确保其在零部件工作温度范围内不会变化)。
  6、电动蝶阀设备的操作者或使用者必须确保使用的气体或液体的类别与本产品的一致。

【复制标题和链接,发送给好友】
上一篇:简单介绍电动V型球阀的工作原理和七个优点
下一篇:导致电动蝶阀开关不到位的三个原因
相关文章
首页 | 公司简介 | 产品中心 | 新闻资讯 | 案例展示 | 技术资料 | 人才招聘 | 在线留言 | 联系我们

本站关键词:气动阀门 电动阀门 津ICP备08100650号-3 津公网安备 12011002018036号
  • QQ交谈
  • 一标阀门1
  • 一标阀门2
  • 客服热线:
  • 13820338668
  • 微信询价